ÏÔ³¾Ä£×é
ËùÊô·ÖÀࣺ¹âÔ´Ä£×é
²úÆ·Âôµã£º
ÏÔ³¾Ä£×éѡȡÂÌÏÊÃ÷³¾¼¼Êõ£¬ÀûÓÃÒ»ÊøÂÌɫƽÐйâÊø£¬ÈÃÓû§ÔÚ²»ÉËÑÛµÄÇé¿öÏ·¢ÏÖ¼ÒÖÐËÀ½Ç´¦¸üÃêÓ׵ij¾°£¡£ÕâÊø¹âÔÚ´¹Ö±·½ÏòÉϱ»Ñ¹ËõÖÁÓ׽Ƕȣ¬¶øÔÚˮƽ·½ÏòÉÏÔò·¢Õ¹³É´ó½Ç¶È£¬´Ó¶øÊµÏÖÁË½Ï¿í·ºµÄÕÕÉäÁìÓò£¬Í¬Ê±Ô¤·ÀÁ˹âÖ±ÉäÑÛ¾¦µÄÖÐÉË¡£ÕâÖÖÕÕÉ䷽ʽÄÜÏÔÖøÏÔʾ³öÇå½àÆ÷ǰ·½¹¤×÷±í±íµÄ³¾°£ºÍÔÓÖÊ£¬ÌáÉýÁ˶Ô΢Ó׿ÅÁ££¨ÈçÆ¤Ð¼¡¢³èÎïë·¢¡¢³¾òýºÍ²¿ÃÅ»¨·Û£©µÄ¼ø±ðÄÜÁ¦¡£Òò¶ø£¬ÏÔ³¾Ä£×é²»½öÄÜÌá¸ßÇå½àЧÄÜ£¬»¹ÄÜ·½±ãÓû§¹Û²ìÇå½à³ÉЧ¡£
²úÆ·ÌØµã
ÂÌÏÊÃ÷³¾¿ÉÊÓ»¯£¬Âú×ãÓû§Éî¶ÈÇå½àÐèÒª
¸ßÇ峺Ììǵ¹âÐÍ£¬¿´µÃ¸üÇå¡¢¸ü¹ã
LED+Ë«ÇúÃæÍ¸¾µ£¬³¾°£Í¶Ó°¸üÔ¶
ÏßÐÔ¹âÌùµØÉè¼Æ£¬Ô½·¢°²È«¸ßЧ×ÔÖ÷Ñз¢×¨Àû£¬¿É½Ã½Ý¶¨Ô쳬µÍ¹¦ºÄ£¬Ìå»ýÓ×·½±ã×°ÖÃ
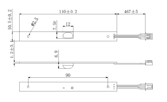
¹æ¶¨²ÎÊý
| ¹¤×÷µçѹ | DC 12V |
| ¹¤×÷µçÁ÷ | 125 mA |
| Â̹Ⲩ³¤ | 500-570 nm |
| ÕÕ¶È | 400 Lux(¿Éµ÷¹â) |
| ¹¤×÷ÎÂ¶È | -10¡æ~60¡æ |



? ÀûÓó¡¾°
? ɨµØ»ú£¬ÕÕµØÃæ³¾°£ ? ³ýòýÒÇ£¬ÕÕ´²Éϱ»×Ó ? µçìÙ¶·£¬ÕÕÒ·þµÄñÞÖå
